EKKO EB16EAS-189Li LithiumStraddle Stacker 4400 lb Cap., 189" Height, SIDE-SHIFT

The EKKO EB16EAS-189Li Lithium Straddle Stacker is designed with the combination of the versatility of a forklift, reach truck and a walkie stacker with SIDE-SHIFTING capabilities. It is ideal for loading and unloading trucks, loading docks, stock rooms, manufacturing floors and warehousing. 

  • Availability: Typically ships in 3-5 days
  • SKU: EB16EAS-189LI
Availability: Typically ships in 3-5 days
List Price: $15,978.30
REQUEST SALE PRICE
Free Shipping
Prices and availability subject to Change
Need a Quote or
Have a question?
  

Product Description

Made from high quality steel and components with durable quality drives to withstand any terrain, usage, impact and directional changes for the use of any application with confidence and assurance. 

  • Load Capacity 4400 lb 
  • Raised Height 189”
  • SIDE-SHIFTING
  • Adjustable Forks 8.27-31.5“
  • Adjustable Legs 38.06-51.8”
  • Fork Length 45.3“
  • Free Lift 51.85”
  • EPS (Electric Power Steering)
  • Curtis Instrument Controller
  • 24V Center AC Drive Motor
  • 24V Lift Motor
  • Triple Mast
  • Battery 24V/210Ah
  • Ergonomic Handle and Controls
  • Steel Construction
  • Robotic Welding
  • 3 Year Limited Warranty

General

Model
EB16EAS-189LI
Model
EB16EAS-189Li
Load capacity (lb)
4400
The max. lifting height (in)
189
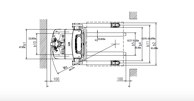
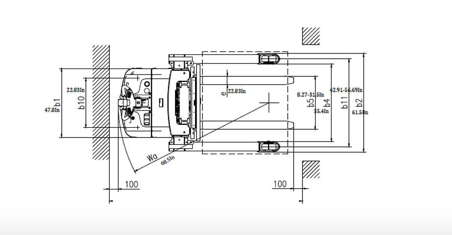
Load center distance (in)
23.62
Free Lift (in)
51.85
EPS (Elec. Power Steer)
Yes
Fork length (in)
45.28
SIDE-SHIFT (in)
4.7
Overall fork width (in)
8.27-31.5
Lowered fork height (in)
1.57
Fixed leg length (in)
42
Adjustable legs (in)
38.06-51.81
Turning radius (in)
68.5
Overall length (in)
83.26
Max width (in)
46.93-60.71
Extended mast height (in)
227
Lowered mast height (in)
88.86
Battery voltage (V/Ah)
24/150
Charger (V/A)
24V/30A
Lifting Motor (KW)
3
AC Driving Motor (kW)
1.5
Service Weight (lb)
3520
Menu